Hello, your privacy is important to us. Uniview websites use cookies to store info on your device and create the most secure and effective website . By continuing to use our websites, please accept the cookies could be stored on your device, which outlined our cookie policy and privacy policy .















GLOBAL / ENGLISH


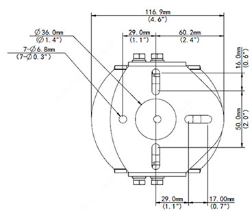
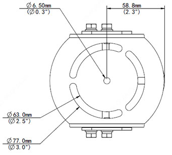
| Bracket | TR-UV06-C-IN |
| Application | Indoor or outdoor, pole or rail installation |
| Dimensions | 116.9mmx101.0mmx83.0mm(4.6” x 4.0”x 3.3”) |
| Weight | 0.28kg (0.62lb) |
| Material | Aluminum alloy |





